100055B Hytec Block Style Double Acting Cylinders UPC #662536137539

FREE SHIPPING
Free shipping & handling on orders with your shipping number.
WORRY FREE GUARANTEE
Have an issue? Call or email us right away and we will get it handled to your satisfaction.
LIVE CHAT
Our customer support agent is ready to assist you during business hours.
Part #100055B Hytec Block Style Double Acting Cylinders
Hytec’s block style cylinders are double acting only and do not contain return springs, making them perfect for applications where rapid positive return is essential or where both pushing and pulling forces are required. Now, more applications are possible thanks to the new threaded piston rods. Hytec threaded inserts or any custom designed attachments may be used. The cylinders can be mounted from top or bottom using a single cap screw and either the thru-hole on the top or the tapped hole in the bottom. A locating hole in the bottom can be used to prevent rotation when necessary. Cylinder control can be simplified in certain applications by supplying one side of the cylinder with a constant air pressure source to supply the return force. The other port of the cylinder can then be pressurized and released as if it were single-acting.
Features:
• Threaded, plated piston rod
• Double-acting
• Single screw mounting
• Piston threads withstand full retract forces.
| Cat. No. |
Specifications | ||||||
| *Force (Lbs.) |
Stroke (In.) |
Eff. Area (Sq. in.) |
Oil Cap. (Cu. In.) |
||||
| Adv. | Ret. | Adv. | Ret. | Ret. | |||
| 100055B | 2210 | 1225 | .500 | .442 | .245 | .221 | .123 |
| NOTE: *Based on 5,000 psi maximum operating pressure. | |||||||

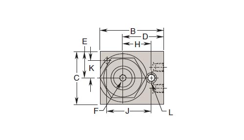
| Cat. No. |
Dimensions (In Inches) | ||||||||
| B | C | D | E | F Thread Size |
H | J | K | L Dia. |
|
| 100055B | 2.500 | 1.500 | 1.844 | .750 | 5⁄16- 24 UNF |
1.094 | 1.490 | .500 | .257 |

| Cat. No. |
Dimensions (In Inches) | |||||||
| A | G Dia. |
M Dia. |
N | O Thread Size |
P Min. | W Thread Depth |
X (REF) |
|
| 100055B | 2.312 | .500 | .257 | .328 | 5⁄16- 18 UNC |
.500 | .438 | 2.23 |

| Cat. No. |
Dimensions (In Inches) | ||||||
| Q | R | S | T | U Advance Port |
V Retract Port |
X (REF) |
|
| 100055B | 0.375 | 1.000 | .344 | .344 | 1⁄8- NPTF |
1⁄8- NPTF |
2.23 |
| Product Availability | Obsoleted Part, No Replacement |
|---|---|
| Manufacturer | SPX Hytec |

